全国服务热线
热门文章
- 如何选择优质的直流接触器厂家?直流接触器是一种用于电力系统中控制直流电流的电气设备,广泛应用于各种自动化控制领域,如电动机驱动、直流电源系统、充电设备等。作为一种重要的电气元件,直流接触器的质量直接影响到设备的安全性和稳定性。因此,选择一个可靠的直流接触器厂家至关重要。本文将从多个方面分析如何选择一个优质的直流接触…2026-01-26
- 高压直流接触器厂家的发展与市场前景随着现代电力系统的不断升级和发展,高压直流接触器作为关键的电气元件之一,在工业、交通以及能源等多个领域中扮演着越来越重要的角色。作为高压直流电路中的重要开关装置,它能够高效、安全地切断和连接电路,保障电力设备的正常运行。因此,高压直流接触器厂家在市场中的需求不断增加,并成为了电气设备行…2026-01-24
- 直流接触器厂家选择与发展趋势直流接触器是一种广泛应用于直流电路中的开关设备,主要用于电流的控制与保护。随着电力、机械、自动化等行业的快速发展,直流接触器厂家也不断提升技术水平,推动产品的创新与升级。本文将从直流接触器的作用、市场需求、厂家的选择标准以及未来发展趋势等方面进行探讨。 首先,直流接触器在电…2026-01-22
- 高压直流接触器厂家:推动电力设备发展的关键力量随着工业化进程的加快,各类电力设备的需求也日益增长。在众多电力设备中,高压直流接触器作为重要的电力控制元件,发挥着至关重要的作用。它主要用于高压直流电路的开关控制,具有良好的耐压和耐流性能,广泛应用于电力系统、轨道交通、新能源等领域。相应的,高压直流接触器厂家也在这个行业中扮演了关键角…2026-01-13
- 高压直流接触器的原理与应用分析高压直流接触器的基本功能是控制电路的通断。它通过电磁力驱动触点开合,从而实现电流的导通或切断。与交流接触器不同,直流接触器需要具备更高的电弧熄灭能力。因为直流电流在触点断开时,不像交流电流那样会自然归零,导致电弧的熄灭变得更加困难。为了解决这个问题,直流接触器通常采用特殊设计的触点和灭…2026-01-13
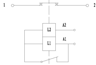
产品主要使用于电瓶车、电动叉车、电动绞盘、电动汽车、挖掘机、汽车空调、通讯电源等直流电源系统的电源通断控制。
·订货规范
例: ZJ50ABM/48V
主触点一常闭,额定电压 DC48V,电流 50A,线圈电压规格为 DC48V 的双线圈直流接触器。





热品推荐 / Hot product
-
-
产品主要使用于电瓶车、电动叉车、电动绞盘、电动汽车、挖掘机、汽车空调、通讯电源等直流电源系统的电源通断控制。 ·订货规范 例: ZJ50ABM/48V 主触点一常闭,额定电压 DC48V,电流 50A,线圈电压规格为 DC48V 的双线圈直流接触器。…
-
-
产品主要使用于电瓶车、电动叉车、电动绞盘、电动汽车、挖掘机、汽车空调、通讯电源等直流电源系统的电源通断控制。 ·订货规范 例:ZJ100ABM/48V 主触点一常闭,额定电压 DC48V,电流 100A,线圈电压规格为 DC48V 的双线圈直流接触器。…
在线留言
站点地图





在线咨询


